Máy bơm hồ bơi waterco supatuf là dòng máy bơm tiết kiệm điện,tự động giảm mức sử dụng năng lượng và giảm độ ồn trong quá trình vận hành.
Sản phẩm có độ bền cao, được công ty Đại Đồng Tiến nhập khẩu chính ngạch và phân phối cho nhiều dự án chung cư. Máy bơm thích hợp sử dụng cho hồ bơi nước mặn và có nhiều hóa chất.
Bơm lọc Waterco Supatuf với động cơ ly tâm trục ngang cho khả năng hút chân không tốt. Bơm được thiết kế để bảo vệ quá tải nhiệt, làm tăng tuổi thọ của thiết bị.
Bơm hồ bơi Waterco supatuf thương hiệu Australia, sản phẩm do được sản xuất tại Malaysia nên có giá thành cạnh tranh cao tại thị trường Việt Nam.
- Thương hiệu: Waterco - Australia
- Sản xuất tại: Malaysia
- Công suất: 1 - 3HP
- Điện áp: 220 - 240V (1pha/ 3pha)
- Xếp hạng năng lượng 7 sao
- Hoạt động ổn định, tiết kiệm năng lượng
- Dùng cho bể bơi nước mặn, bể dùng điện phân muối.
MÁY BƠM SUPATUF 100
- Công suất: 1HP
- Lưu lượng: 12.6 m³/h
- Động cơ motor 1 pha
- Nguồn: 220V/ 50Hz
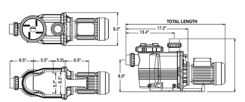
- Kích thước (H x L): 311 x 587mm
- Kết nối: Ø63mm
MÁY BƠM SUPATUF 150
- Công suất: 1.5HP
- Lưu lượng: 17.4 m³/h
- Động cơ motor 1 pha
- Nguồn: 220V/ 50Hz
- Kích thước (H x L): 311 x 608mm
- Kết nối: Ø63mm
MÁY BƠM SUPATUF 200 MK2
- Công suất: 2HP
- Lưu lượng: 22.8 m³/h
- Động cơ motor 1 pha
- Nguồn: 220V/ 50Hz
- Kích thước (H x L): 311 x 629mm
- Kết nối: Ø63mm
MÁY BƠM SUPATUF 300 MK2
- Công suất: 3HP
- Lưu lượng: 25.2 m³/h
- Động cơ motor 3 pha
- Nguồn: 380V/ 50Hz
- Kích thước (H x L): 311 x 629mm
- Kết nối: Ø63mm





Xem thêm